Page 1 of 1
Mi piacerebbe costruire una CPU 4 bit con chip TTL

Posted:
22 Dec 2012, 22:08
by execute
Ciao a tutti, lo so la mia idea è alquanto bizzarra.
nell'epoca dei supercomputer, dei super microcontrollori risc a 64 bit mi metto a pensare ad una cpu a 4 bit !! mah, mi sono davvero rincitrullito.
La cpu però dovrebbe essere costruita con soli integrati TTL, cioè tutta la parte di logica realizzata a partire dalle funzioni booleane.
avere la possibilità di introdurre i dati attraverso degli interruttori e pulsantii, i dati in uscita attraverso dei display a 7 segmenti.
Dovrebbe realizzare almeno una successione di somme e sottrazioni ed avere dei registri di appoggio...............
MA TUTTO CON INTEGRATI TTL..... non vorrei partire dai relè.
Sulla rete ci sono dei progetti completi che dimostrano la fattibilità ed è mia intenzione proporne uno del tutto mio.
Qualcuno di voi potrebbe essere interessato ? o magari darmi una mano in questa impresa assurda?
Da dove potrei partire ?.....
Grazie
Re: Mi piacerebbe costruire una CPU 4 bit con chip TTL

Posted:
23 Dec 2012, 04:08
by flz47655
Ciao Execute,
Per partire potresti creare con Quartus II un prototipo del progetto per CPLD/FPGA utilizzando lo schematico e i componenti della serie 7400 che trovi nella libreria others/maxplus2 per poi in un secondo momento costruire il circuito con integrati reali.
Dopo la verifica logica con Quartus II magari potresti simulare il tutto con un simulatore SPICE.
Già che ci sei la memoria ROM per memorizzare brevissimi programmi, se vuoi fare qualcosa di molto "vintage", potresti costruirla con dei diodi discreti

Valuta molto bene se hai il tempo per costruire fisicamente il circuito con componenti discreti perché ad occhio servono molti giorni certosini di saldatore e trapano
Ciao
Re: Mi piacerebbe costruire una CPU 4 bit con chip TTL

Posted:
23 Dec 2012, 13:18
by legacy
si, e perche' non un computer a vapore in verve allo steampunk

?
offro golosa gallery TTL/home brew cpu ->
http://www.homebrewcpu.com/photo_gallery.htmyoutube video ->
http://www.youtube.com/watch?v=zbSjsEPlhU8&feature=player_embedded#!(ricordo che il tizio lavora in google. ha tempo/risorse infinite o quasi)
e torno alle mie cose.
have fun.
Re: Mi piacerebbe costruire una CPU 4 bit con chip TTL

Posted:
23 Dec 2012, 18:02
by deluca
ciao execute,
secondo il mio parere la tua idea non è da sottovalutare, anzi la prendo subito in considerazione.
Oggigiorno molti si propongono programmatori esperti di microcontrollori dai più semplici a quelli più sofisticati.... MA...!,
quando mi è capitato di chiedere ad un borsista neolaureato esperto in "Arduino".... sai cosa è il "Program Counter....." sapete cosa mi ha risposto ?
"E' un software per contare il numero di programmi che ci stanno su un HardDisk di un PC".... non ci crederete ma è proprio così.
Allora quella di realizzare una CPU a partire dalle porte logiche o integrati TTL serie SN74 sarebbe veramente una bella iniziativa atta a divulgare
la conoscenza di come funziona una CPU.... come vengono utilizzati i registri, come vengono eseguite le istruzioni ecc ecc.
PS.
Però prima di incamminarti nella realizzazione pratica con gli integrati reali ti consiglio di utilizzare un simulatore di logica digitale con il quale potesti sviluppare i vari moduli che compongono la cpu, vedi full adder, registri, program counter, IR, unità di controllo, ecc ecc.
Solo a schema definito potresti trasferire il tutto su chip hardware così da risparmiare tempo e soprattutto denaro.
In giro ci sono molti simulatori digitali free che possono aiutarti in questo percorso....
Inoltre ti consiglierei di partire con la realizzazione e simulazione di un SAP-1 (simple as possible computer)....
ciao.
Re: Mi piacerebbe costruire una CPU 4 bit con chip TTL

Posted:
23 Dec 2012, 18:39
by legacy
secondo me ha senso MIC-v1, integer java integer macchine descritta espressamente per la didattica dal prof Andrew Stuart Tanenbaum con tanto di supporto per corsi computer science delle architetture elaborative.
Il progetto e' sponsorizzato dal relativo book di Tanenbaum che sta a 50 euro. I suoi simulatori/compilatori sono gratuiti, ed e' un ottimo supporto didattico, puntuale e preciso, dal transistor alla MIC-v3: con problemi, soluzioni, argomenti aperti, etc.
Re: Mi piacerebbe costruire una CPU 4 bit con chip TTL

Posted:
24 Dec 2012, 12:54
by execute
@legacy,
Per me, il piacere e la mia soddisfazione non è quella di simulare una cpu ma di realizzarla con veri integrati.
@deluca, seguirò il tuo consiglio,
magari, prima inizierò con il simulare le varie parti che la compongono, poi passerò alla realizzazione pratica.
Grazie, e auguri per un sereno Natale.
Re: Mi piacerebbe costruire una CPU 4 bit con chip TTL

Posted:
24 Dec 2012, 18:59
by flz47655
Io diverso tempo fa, quando stavo imparando reti logiche, avevo utilizzato con profitto il simulatore logico LogiSim
http://ozark.hendrix.edu/~burch/logisim/Ti consigliavo di utilizzare gli schematici di Quartus (senza VHDL o Verilog per capirci, proprio solamente il trascinamento) più che altro perché avevi a disposizione proprio i componenti della serie 7400 che potevi simulare con ModelSim e nella presentazione avevo capito che eri pratico di logiche programmabili
Buone Feste
Ciao
Re: Mi piacerebbe costruire una CPU 4 bit con chip TTL

Posted:
29 Dec 2012, 16:30
by deluca
Io ti consiglio di iniziare con la realizzazione e simulazione di una semplice ALU a 4 bit in grado di eseguire operazioni booleane e artimetiche
Dai uno sguardo al vecchio IC 74181 e prova a realizzarlo interamente con le porte logiche.
ciao
Re: Mi piacerebbe costruire una CPU 4 bit con chip TTL

Posted:
29 Dec 2012, 18:44
by execute
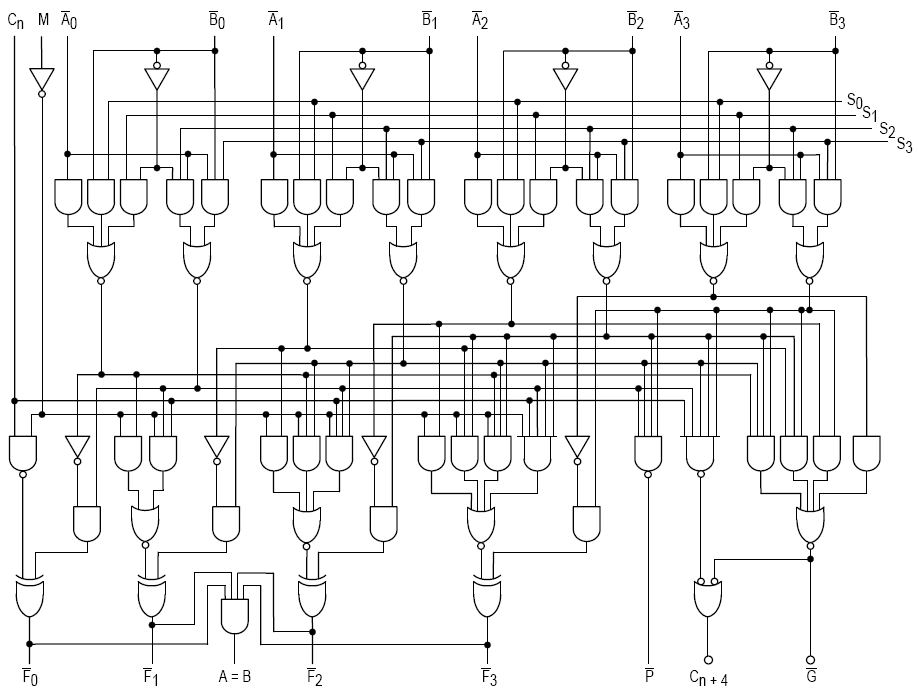
Ciao,
ho trovato lo schema interno della ALU SN74181 e la tabella delle funzioni:

- 74181_alu_schematic.png (22.27 KiB) Viewed 24749 times

- 74181_tabella.png (46.34 KiB) Viewed 24749 times
Mi potreste spiegare le funzioni riportate sulla tabella? alcune le capisco, altre no.
Vi ringrazio.
Re: Mi piacerebbe costruire una CPU 4 bit con chip TTL

Posted:
30 Dec 2012, 19:11
by deluca
ciao execute,
rimembrando vecchi ricordi, con piacere ho voluto simulare il funzionamento del 74181.
Di seguito lo screen-shot della simulazione della somma di 2 + 4 .... il risultato è presentato in uscita attraverso il display.
La funzione selezionata è S=1001 che esegue "A plus B"

- Simul_75181.jpg (100.91 KiB) Viewed 24735 times
Qui la tabella con la descrizione esatta delle funzioni con i dati x logica attiva alta

- Tabella_74181.jpg (103.93 KiB) Viewed 24735 times
Se avrò tempo cercherò di realizzare la alu con porte logiche e di simularne il funzionamento.... visto che non mi trovo il chip in magazzino.
Non ti nascondo che questo tuo topic ha risvegliato la voglia di finire un vecchio mio progetto anni '80 lasciato incompleto:
quello di realizzare una CPU 8/16bit interamente realizzata con integrati TTL, display a 7 segmenti per i dati d'uscita, e con tanto di pulsanti e interruttori per l'ingresso dei dati.
Ciao
Re: Mi piacerebbe costruire una CPU 4 bit con chip TTL

Posted:
31 Dec 2012, 12:46
by Fagos
@execute,
ci vuole un pò di coraggio per mettersi a costruire una cpu da zero oggigiorno.
non ti nascondo che la cosa affascina pure me, ma penso che occorra molto tempo e denaro e non so se poi potresti avere delle ricadute economiche.
comunque in bocca al lupo e facci sapere cosa combinerai.
@deluca,
ma è possibile realizzarne una a 8, oppure 16 bit ?
dipende dal numero di alu che uno predispone?
non sarebbe meglio realizzarla in vhdl su una fpga?
ciao
Re: Mi piacerebbe costruire una CPU 4 bit con chip TTL

Posted:
02 Jan 2013, 18:36
by deluca
@execute, @fagos,
Se vi può interessare,
la simulazione della ALU 8bit realizzata con 2 SN74LS181 che esegue la somma di 7+3=10 (x0A)

- 2x74181.jpg (303.17 KiB) Viewed 24695 times
In VHDL la realizzazione della ALU SN74181 risulta semplicissima, inoltre,
se usi Quartus, il chip sotto forma di simbolo si trova già in libreria e lo puoi instanziare come componente.
ciao
Re: Mi piacerebbe costruire una CPU 4 bit con chip TTL

Posted:
02 Jan 2013, 18:52
by execute
Ti ringrazio deluca per le indicazioni e per il tempo che mi stai dedicando, io sto studiando proprio questo chip ma ti volevo chiedere una cosa, dove lo si può acquistare?
ho cercato su rs-c e farnell ma nulla da fare, dico bene? sai un altro fornitore? (so benissimo che è un cippetto forse obsoleto !!!)
PS. Se può interessare ho postato lo stesso argomento su un altro forum che ho trovato in rete e che mi sembra abbastanza attivo e vicino alle tematiche di questo.
http://www.nonsoloamiga.com/index.php?topic=2580.0ancora grazie.
Re: Mi piacerebbe costruire una CPU 4 bit con chip TTL

Posted:
02 Jan 2013, 20:15
by legacy
Re: Mi piacerebbe costruire una CPU 4 bit con chip TTL

Posted:
02 Jan 2013, 20:29
by execute
ma come ho fatto a non pensarci !
grazie legacy per la segnalazione, provvederò subito ad acquistarne un paio su ebay, forse 4 è meglio se voglio la alu a 16bit.
ciao e buon anno.
Re: Mi piacerebbe costruire una CPU 4 bit con chip TTL

Posted:
02 Jan 2013, 22:19
by legacy
@Fagos,
a rigore per descrivere una macchina capace di processare qualsiasi tipo di algoritmo
non serve nemmeno una ALU cosi' come la intendiamo noi moderni con quanto definito da Turing
questo "pazzo" ha riproposto una "MTU" con componentistica moderna
CPU, camera, servi ...
http://spectrum.ieee.org/automaton/robo ... ng-machinequest'altro "pazzo" se l'e' fatta ibrida elettronica + meccanica ma con i lego !!!
http://www.youtube.com/watch?v=cYw2ewoO ... r_embedded(notare il metodo originalissimo per leggere/scrivere stack/context: geniale!)
Re: Mi piacerebbe costruire una CPU 4 bit con chip TTL

Posted:
16 Jan 2013, 21:55
by execute
Finalmente ho recuperato gli SN74181.
ho steso nel frattempo una bozza del circuito con carta e penna e devo dire che però immaginando il tutto a 8bit lo schema si complica in termini di numero di IC.
di già sto considerando una decina di IC solo per la gestione alu.
Intanto sto pensando di iniziare con una alu a 4bit e costruire il data-path a 4bit dati + 4bit istruzioni, mi sa che forse è meglio.
vi tengo aggiornati.
Re: Mi piacerebbe costruire una CPU 4 bit con chip TTL

Posted:
08 Mar 2014, 10:12
by legacy
news ?